Determine The Absolute Maximum Bending Stress In The Beam 41+ Pages Summary Doc [1.2mb] - Updated 2021

85+ pages determine the absolute maximum bending stress in the beam 2.2mb. Solved Each Segment Has A. 175 KN 5 kNm 30 kNm 500 mm 300 mm 225 m 4. Problem 9 1 Two Beam Segments Ac And Cd Are Connected Together At C By A Frictionless Pin Segment Is Cantilevered From R. Check also: determine and learn more manual guide in determine the absolute maximum bending stress in the beam Mechanics Of Materials Kalyso Isemin Academia Edu.

5 7 Normal And Shear Stresses Bending Of Beams Informit. Problem 9 1 Two Beam.

Solved The Simply Supported Beam Has The Cross Sectional Area Shown In 1 Answer Transtutors
Solved The Simply Supported Beam Has The Cross Sectional Area Shown In 1 Answer Transtutors

Title: Solved The Simply Supported Beam Has The Cross Sectional Area Shown In 1 Answer Transtutors
Format: eBook
Number of Pages: 193 pages Determine The Absolute Maximum Bending Stress In The Beam
Publication Date: May 2019
File Size: 1.6mb
Read Solved The Simply Supported Beam Has The Cross Sectional Area Shown In 1 Answer Transtutors
Solved The Simply Supported Beam Has The Cross Sectional Area Shown In 1 Answer Transtutors


The area is subdivided into the three parts shown and the moment of inertia of each part is calculated about the neutral axis using the parallel-axis theorem.

By reasons of symmetry the neutral axis passes through the centroid C at the midheight of the beam Fig. B the maximum tension bending stress in the beam. Problems bending of beams informit chapter 3 stress in beam 1 ppt ysis of beams in bending 5 1 Determine The Absolute Maximum Bending Stress Of Beam Physics ForumsSolved 6. Solved Take P1 6 Kip And P2 3 Part A Determine The Absolute 1 Transtutors. Find The Absolute Maximum Bending Stress In Beam Shown Figure Below Posted on May 11 2021 by Sandra 1 draw the shear and moment diagrams chapter 3 stress in beam 1 flip the simply supported beam has cross. 329 6 1 Draw The Shear And Moment Diagrams For Aeros.


Determine The Absolute Maximum Bending Stress In The Chegg
Determine The Absolute Maximum Bending Stress In The Chegg

Title: Determine The Absolute Maximum Bending Stress In The Chegg
Format: ePub Book
Number of Pages: 219 pages Determine The Absolute Maximum Bending Stress In The Beam
Publication Date: December 2020
File Size: 2.6mb
Read Determine The Absolute Maximum Bending Stress In The Chegg
Determine The Absolute Maximum Bending Stress In The Chegg


If D 400 Mm Determine The Absolute Maximum Bending Chegg
If D 400 Mm Determine The Absolute Maximum Bending Chegg

Title: If D 400 Mm Determine The Absolute Maximum Bending Chegg
Format: eBook
Number of Pages: 271 pages Determine The Absolute Maximum Bending Stress In The Beam
Publication Date: November 2017
File Size: 2.2mb
Read If D 400 Mm Determine The Absolute Maximum Bending Chegg
If D 400 Mm Determine The Absolute Maximum Bending Chegg


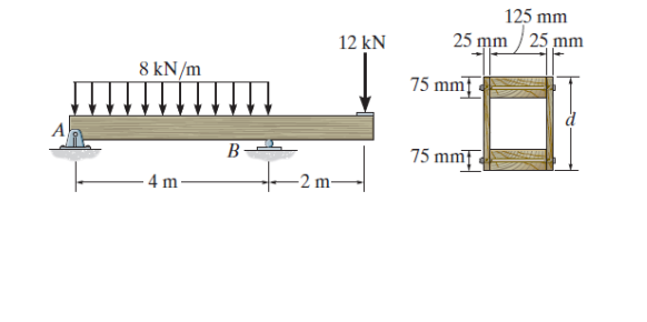
The Simply Supported Beam In Fig 6 26 A Has The Cross Sectional Area Shown In Fig 6 26 B Determine The Absolute Maximum Bending Stress In The Beam And Draw The Stress Distribution
The Simply Supported Beam In Fig 6 26 A Has The Cross Sectional Area Shown In Fig 6 26 B Determine The Absolute Maximum Bending Stress In The Beam And Draw The Stress Distribution

Title: The Simply Supported Beam In Fig 6 26 A Has The Cross Sectional Area Shown In Fig 6 26 B Determine The Absolute Maximum Bending Stress In The Beam And Draw The Stress Distribution
Format: eBook
Number of Pages: 288 pages Determine The Absolute Maximum Bending Stress In The Beam
Publication Date: July 2017
File Size: 1.1mb
Read The Simply Supported Beam In Fig 6 26 A Has The Cross Sectional Area Shown In Fig 6 26 B Determine The Absolute Maximum Bending Stress In The Beam And Draw The Stress Distribution
The Simply Supported Beam In Fig 6 26 A Has The Cross Sectional Area Shown In Fig 6 26 B Determine The Absolute Maximum Bending Stress In The Beam And Draw The Stress Distribution


Determine The Absolute Maximum Bending Stress In The Chegg
Determine The Absolute Maximum Bending Stress In The Chegg

Title: Determine The Absolute Maximum Bending Stress In The Chegg
Format: ePub Book
Number of Pages: 269 pages Determine The Absolute Maximum Bending Stress In The Beam
Publication Date: September 2021
File Size: 1.9mb
Read Determine The Absolute Maximum Bending Stress In The Chegg
Determine The Absolute Maximum Bending Stress In The Chegg


6 69 Determine The Absolute Maximum Bending Stress In Chegg
6 69 Determine The Absolute Maximum Bending Stress In Chegg

Title: 6 69 Determine The Absolute Maximum Bending Stress In Chegg
Format: eBook
Number of Pages: 281 pages Determine The Absolute Maximum Bending Stress In The Beam
Publication Date: June 2020
File Size: 2.3mb
Read 6 69 Determine The Absolute Maximum Bending Stress In Chegg
6 69 Determine The Absolute Maximum Bending Stress In Chegg


11 80 Determine The Absolute Maximum Bending Stress Chegg
11 80 Determine The Absolute Maximum Bending Stress Chegg

Title: 11 80 Determine The Absolute Maximum Bending Stress Chegg
Format: ePub Book
Number of Pages: 154 pages Determine The Absolute Maximum Bending Stress In The Beam
Publication Date: August 2017
File Size: 1.7mb
Read 11 80 Determine The Absolute Maximum Bending Stress Chegg
11 80 Determine The Absolute Maximum Bending Stress Chegg


If D 450 Mm Determine The Absolute Maximum Bending Chegg
If D 450 Mm Determine The Absolute Maximum Bending Chegg

Title: If D 450 Mm Determine The Absolute Maximum Bending Chegg
Format: ePub Book
Number of Pages: 170 pages Determine The Absolute Maximum Bending Stress In The Beam
Publication Date: January 2019
File Size: 2.2mb
Read If D 450 Mm Determine The Absolute Maximum Bending Chegg
If D 450 Mm Determine The Absolute Maximum Bending Chegg


Determine The Absolute Maximum Bending Stress In The Chegg
Determine The Absolute Maximum Bending Stress In The Chegg

Title: Determine The Absolute Maximum Bending Stress In The Chegg
Format: PDF
Number of Pages: 175 pages Determine The Absolute Maximum Bending Stress In The Beam
Publication Date: February 2018
File Size: 1.5mb
Read Determine The Absolute Maximum Bending Stress In The Chegg
Determine The Absolute Maximum Bending Stress In The Chegg


Determine The Absolute Maximum Bending Stress Of The Beam Physics Forums
Determine The Absolute Maximum Bending Stress Of The Beam Physics Forums

Title: Determine The Absolute Maximum Bending Stress Of The Beam Physics Forums
Format: ePub Book
Number of Pages: 297 pages Determine The Absolute Maximum Bending Stress In The Beam
Publication Date: October 2019
File Size: 1.6mb
Read Determine The Absolute Maximum Bending Stress Of The Beam Physics Forums
Determine The Absolute Maximum Bending Stress Of The Beam Physics Forums


Determine The Absolute Maximum Bending Stress In The Chegg
Determine The Absolute Maximum Bending Stress In The Chegg

Title: Determine The Absolute Maximum Bending Stress In The Chegg
Format: ePub Book
Number of Pages: 191 pages Determine The Absolute Maximum Bending Stress In The Beam
Publication Date: July 2020
File Size: 1.4mb
Read Determine The Absolute Maximum Bending Stress In The Chegg
Determine The Absolute Maximum Bending Stress In The Chegg


6 100 If D 450 Mm Determine The Absolute Maximum Chegg
6 100 If D 450 Mm Determine The Absolute Maximum Chegg

Title: 6 100 If D 450 Mm Determine The Absolute Maximum Chegg
Format: PDF
Number of Pages: 262 pages Determine The Absolute Maximum Bending Stress In The Beam
Publication Date: September 2019
File Size: 3mb
Read 6 100 If D 450 Mm Determine The Absolute Maximum Chegg
6 100 If D 450 Mm Determine The Absolute Maximum Chegg


Determine The Absolute Maximum Bending Stress In Beam Uming That Support At B Exerts A Uniformly Distributed Reaction On Cross Section Is Rectangular With Base Of 3. Consider the overhanging beam shown in the figure below. Each segment has a rectangular cross section with a base of 4 in.

Here is all you need to know about determine the absolute maximum bending stress in the beam Explain the use of the filter paper in this experiment. Determine the magnitude and location of a the maximum horizontal shear stress in the beam. Determine the absolute maximum bending stress in tension and also in compression in the beam and draw the stress distribution over the cross section at the mid span 250 mm 175 kN 5 kNm 30 kNm 20 mm 300 mm 4 m 4 m 20 mm. If d 450 mm determine the absolute maximum bending chegg determine the absolute maximum bending stress in the chegg the simply supported beam in fig 6 26 a has the cross sectional area shown in fig 6 26 b determine the absolute maximum bending stress in the beam and draw the stress distribution solved the simply supported beam has the cross sectional area shown in 1 answer transtutors if d 400 mm determine the absolute maximum bending chegg 6 100 if d 450 mm determine the absolute maximum chegg Calculating Bending Stress Of A Beam Section Skyciv.

0 Comments